OptiMill®-Uni-HPC-Rough

Durchmesser d1 (mm)

9.0

Your unit price

*Login erforderlich

Article

30653396

Quantity

Added to Your Shopping Cart

Product description

The OptiMill®-Uni-HPC-Rough corner milling cutter was specifically developed for roughing steel, stainless steel, and cast iron. An innovative cord profile allows for optimized force distribution along the extended cutting edge, improved chip formation, and high material removal rates. The tool's unequal spacing promotes smooth operation and reduces vibrations.

Material suitability

Technical specifications

Produktklasse
Performance-Line  
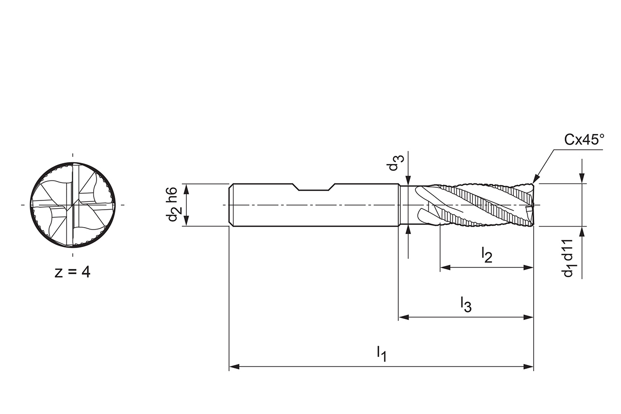
Schneidendurchmesser (d1)
9   mm
Schaftdurchmesser (d2)
10   mm
Gesamtlänge (l1)
72   mm
Schneidenlänge (l2)
19   mm
Halslänge (l3)
28   mm
Länge zylindrischer Anteil (l5)
28   mm
Eckfasenbreite Cx45°
0.5   mm
Konuswinkel (φ)
18.9   °
Anzahl Schneiden (z)
4  
Kühlmittelzufuhr
äußere Kühlmittelzufuhr  
Schaft Typ
HB  
Schneidstoff
HP213  
Materialgruppe
MV
Spezifikation
SCM710-0900Z04R-F0050HB-HP213

Downloads

Cutting data recommendations
30653396_OptiMill-Uni-HPC-Rough_EN.pdf