OptiMill®-Uni-HPC-Rough

Diameter d1 (mm)

10.0

Your unit price

*Login required

Article

30653385

Quantity

Added to Your Shopping Cart

Product description

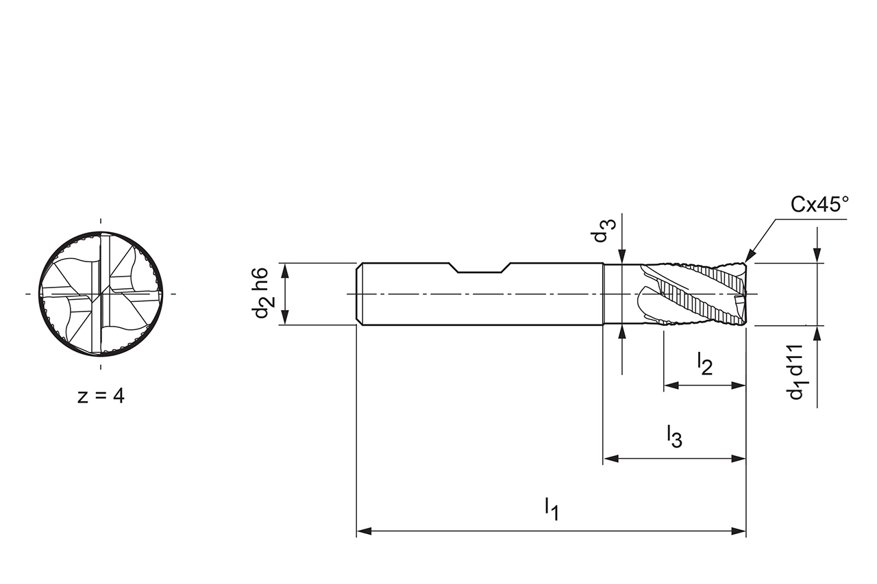
The OptiMill®-Uni-HPC-Rough corner milling cutter was specifically developed for roughing steel, stainless steel, and cast iron. An innovative cord profile allows for optimized force distribution along the extended cutting edge, improved chip formation, and high material removal rates. The tool's unequal spacing promotes smooth operation and reduces vibrations.

Material suitability

Technical specifications

Product class
Performance-Line  
Diameter (d1)
10   mm
Shaft diameter (d2)
10   mm
Cylindrical part diameter (d3)
9.5   mm
Total length (l1)
66   mm
Length of cutting edge (l2)
13   mm
Neck length (l3)
26   mm
Corner bevel width Cx45°
0.5   mm
Number of cutting edges (z)
4  
Cooling
external cooling  
Shank type
HB  
Cutting material
HP213  
Material group
MV
Specification
SCM700-1000Z04R-F0050HB-HP213

Downloads

Cutting data recommendations
30653385_OptiMill-Uni-HPC-Rough_EN.pdf