OptiMill®-3D-CR

  • Product image OptiMill®-3D-CR
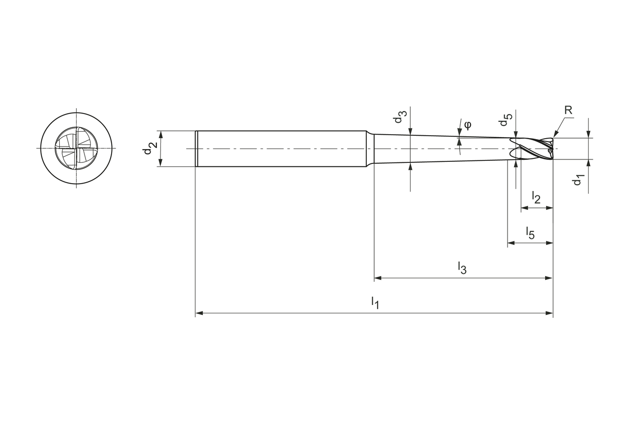
  • Technical drawing OptiMill®-3D-CR

Diameter d1 (mm)

4.0

Your unit price

*Login required

Article

31154414

Quantity

Added to Your Shopping Cart

Product description

The OptiMill-3D-CR corner radius milling cutter has been specially developed for machining materials up to 55 HRC. It is characterized by a high-precision corner radius with high radius accuracy, making it ideal for finishing 3D shapes. In addition to an extremely heat-resistant coating and a special carbide substrate, these tools are characterized by the dimensions and geometries specially adapted to mold making.

Material suitability

Technical specifications

Product class
Performance-Line  
Diameter (d1)
4   mm
Shaft diameter (d2)
6   mm
Total length (l1)
60   mm
Length of cutting edge (l2)
4.6   mm
Neck length (l3)
20   mm
Corner radius (R)
0.5   mm
Taper angle (φ)
0.5   °
Number of cutting edges (z)
4  
Cooling
external cooling  
Shank type
HA  
Cutting material
HP803  
Material group
RC
Specification
MCR105-040-0050-2000A060-HP803

Downloads

3D envelope in stp
31154414_607643770-000-00-E43.STP
Technical drawing in dxf
31154414_607410329-000-01-ED1-MM.DXF
Technical drawing in pdf
31154414_607410329-000-01-ED1-MM.PDF
Technical drawing in tif
31154414_607410329-000-01-ED1-MM.TIF
Cutting data recommendations
31154414_OptiMill-3D-CR_EN.pdf