OptiMill®-3D-BN

  • Product image OptiMill®-3D-BN
  • Product image OptiMill®-3D-BN
  • Product image OptiMill®-3D-BN
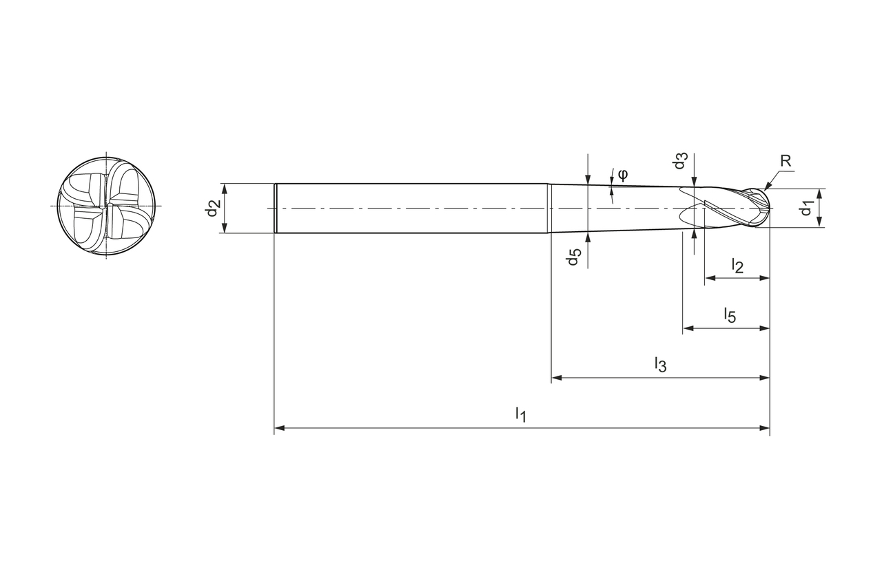
  • Technical drawing OptiMill®-3D-BN

Durchmesser d1 (mm)

4.0

Your unit price

*Login erforderlich

Article

31153597

Quantity

Added to Your Shopping Cart

Product description

The OptiMill-3D-BN ball nose mill cutter has been specifically developed for machining materials up to 55 HRC. It is characterized by high radius accuracy, making it ideal for high-precision machining of 3D contours. In addition to an extremely heat-resistant coating and a special carbide substrate, these tools are distinguished by dimensions and geometries tailored specifically to mold making.

Material suitability

Technical specifications

Produktklasse
Performance-Line  
Schneidendurchmesser (d1)
4   mm
Schaftdurchmesser (d2)
8   mm
Durchmesser zylindrischer Anteil (d3)
3.94   mm
Gesamtlänge (l1)
100   mm
Schneidenlänge (l2)
4.6   mm
Halslänge (l3)
40   mm
Länge zylindrischer Anteil (l5)
8   mm
Eckenradius (R)
2   mm
Konuswinkel (φ)
1.5   °
Anzahl Schneiden (z)
4  
Kühlmittelzufuhr
äußere Kühlmittelzufuhr  
Schaft Typ
HA  
Schneidstoff
HP801  
Materialgruppe
RC
Spezifikation
MBN105-040-0200-4000C100-HP801

Downloads

3D Hüllkontur in stp
31153597_607643600-000-00-E43.STP
Technische Zeichnung in dxf
31153597_607409199-000-01-ED1-MM.DXF
Technische Zeichnung in pdf
31153597_607409199-000-01-ED1-MM.PDF
Technische Zeichnung in tif
31153597_607409199-000-01-ED1-MM.TIF