MEGA-Step-Drill-Steel-Plus
Durchmesser d1 (mm)
8.5
Ihr Stückpreis
*Login erforderlichBestellnummer
31228965
Menge
Ihrem Warenkorb hinzugefügt
Produktbeschreibung
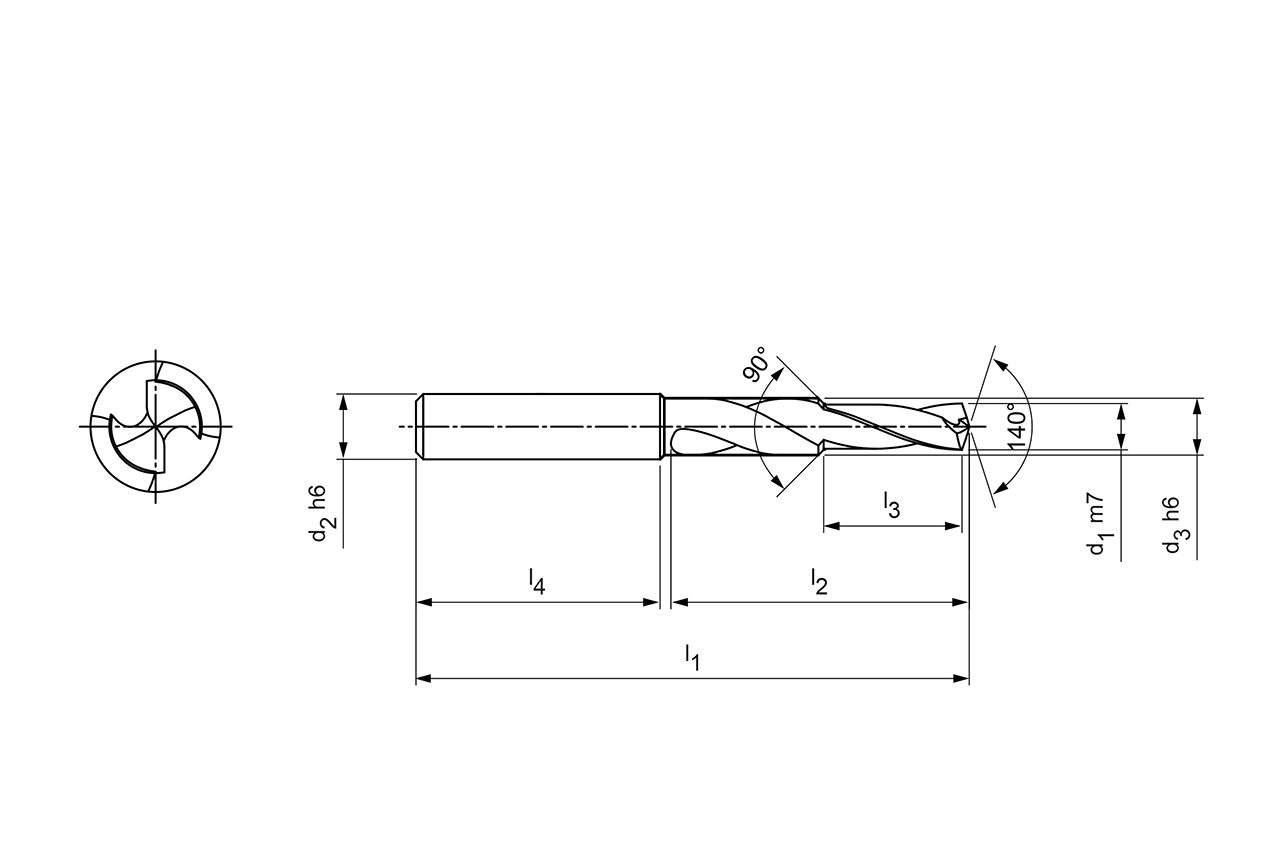
Der zweischneidige Stufenbohrer MEGA-Step-Drill-Steel-Plus wurde speziell entwickelt, um Gewindekernlöcher nach DIN 8378 herzustellen. Mit einer optimierten Ausspitzung und zwei Führungsfasen erreicht der Stufenbohrer ein deutliches Plus an Verschleißfestigkeit und Performance.
Technische Daten
- Produktklasse
- Performance-Line
- d1
- 8.5 mm
- d2
- 12 mm
- d3
- 12 mm
- l1
- 102 mm
- l2
- 55 mm
- l3
- 25.5 mm
- l4
- 45 mm
- Kühlmittelaustritt
- äußere Kühlmittelzufuhr
- Anzahl Schneiden (z)
- 2
- Bohrungstoleranz
- ≥ IT 9
- Schafttoleranz
- h6
- Spitzenwinkel
- 140 °
- Schaftform
- HA
- Materialgruppe
- MH
- Spezifikation
- SCD590-0850-2-2-140HA03-HP358