OptiMill®-3D-BN
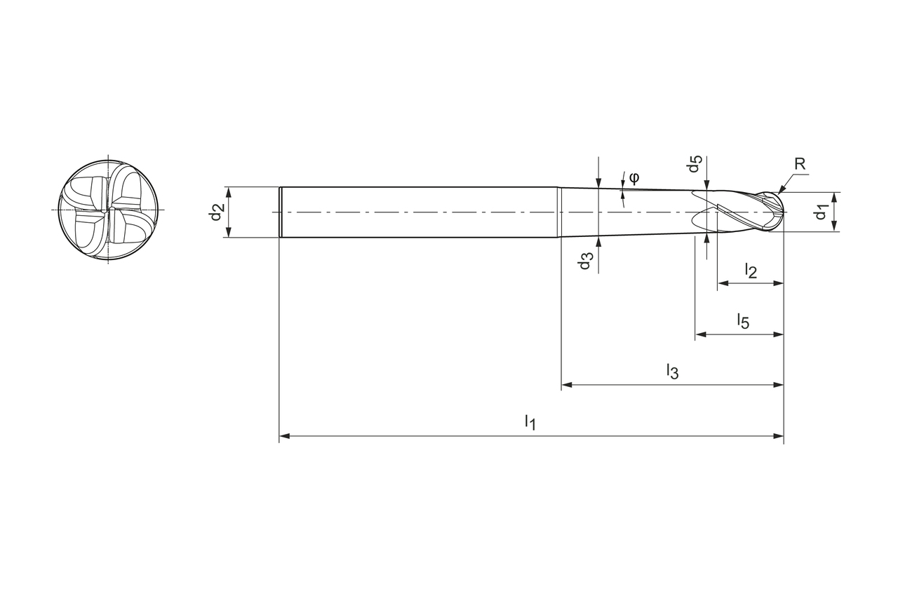
Durchmesser d1 (mm)
3.0
Ihr Stückpreis
*Login erforderlichProduktbeschreibung
Der Kugelfräser OptiMill-3D-BN wurde speziell für die Bearbeitung von Werkstoffen bis 55 HRC entwickelt. Er zeichnet sich durch eine hohe Radiusgenauigkeit aus und ist dadurch ideal zur hochpräzisen Bearbeitung von 3D-Konturen geeignet. Neben einer extrem hitzebeständigen Beschichtung und einem speziellen Hartmetallsubstrat zeichnen sich diese Werkzeuge durch die speziell an den Formenbau angepassten Abmessungen und Geometrien aus.
Technische Daten
- Produktklasse
- Performance-Line
- Schneidendurchmesser (d1)
- 3 mm
- Schaftdurchmesser (d2)
- 6 mm
- Durchmesser zylindrischer Anteil (d3)
- 2.94 mm
- Gesamtlänge (l1)
- 75 mm
- Schneidenlänge (l2)
- 3.5 mm
- Halslänge (l3)
- 30 mm
- Länge zylindrischer Anteil (l5)
- 6 mm
- Eckenradius (R)
- 1.5 mm
- Konuswinkel (φ)
- 1 °
- Anzahl Schneiden (z)
- 4
- Kühlmittelzufuhr
- äußere Kühlmittelzufuhr
- Schaft Typ
- HA
- Schneidstoff
- HP801
- Materialgruppe
- RC
- Spezifikation
- MBN105-030-0150-3000B075-HP801
Downloads
- 3D Hüllkontur in stp
- 31153565_607643544-000-00-E43.STP
- Technische Zeichnung in dxf
- 31153565_607408777-000-01-ED1-MM.DXF
- Technische Zeichnung in pdf
- 31153565_607408777-000-01-ED1-MM.PDF
- Technische Zeichnung in tif
- 31153565_607408777-000-01-ED1-MM.TIF