OptiMill®-3D-BN
Durchmesser d1 (mm)
4.0
Ihr Stückpreis
*Login erforderlichProduktbeschreibung
Der Kugelfräser OptiMill-3D-BN wurde speziell für die Bearbeitung von Werkstoffen bis 55 HRC entwickelt. Er zeichnet sich durch eine hohe Radiusgenauigkeit aus und ist dadurch ideal zur hochpräzisen Bearbeitung von 3D-Konturen geeignet. Neben einer extrem hitzebeständigen Beschichtung und einem speziellen Hartmetallsubstrat zeichnen sich diese Werkzeuge durch die speziell an den Formenbau angepassten Abmessungen und Geometrien aus.
Technische Daten
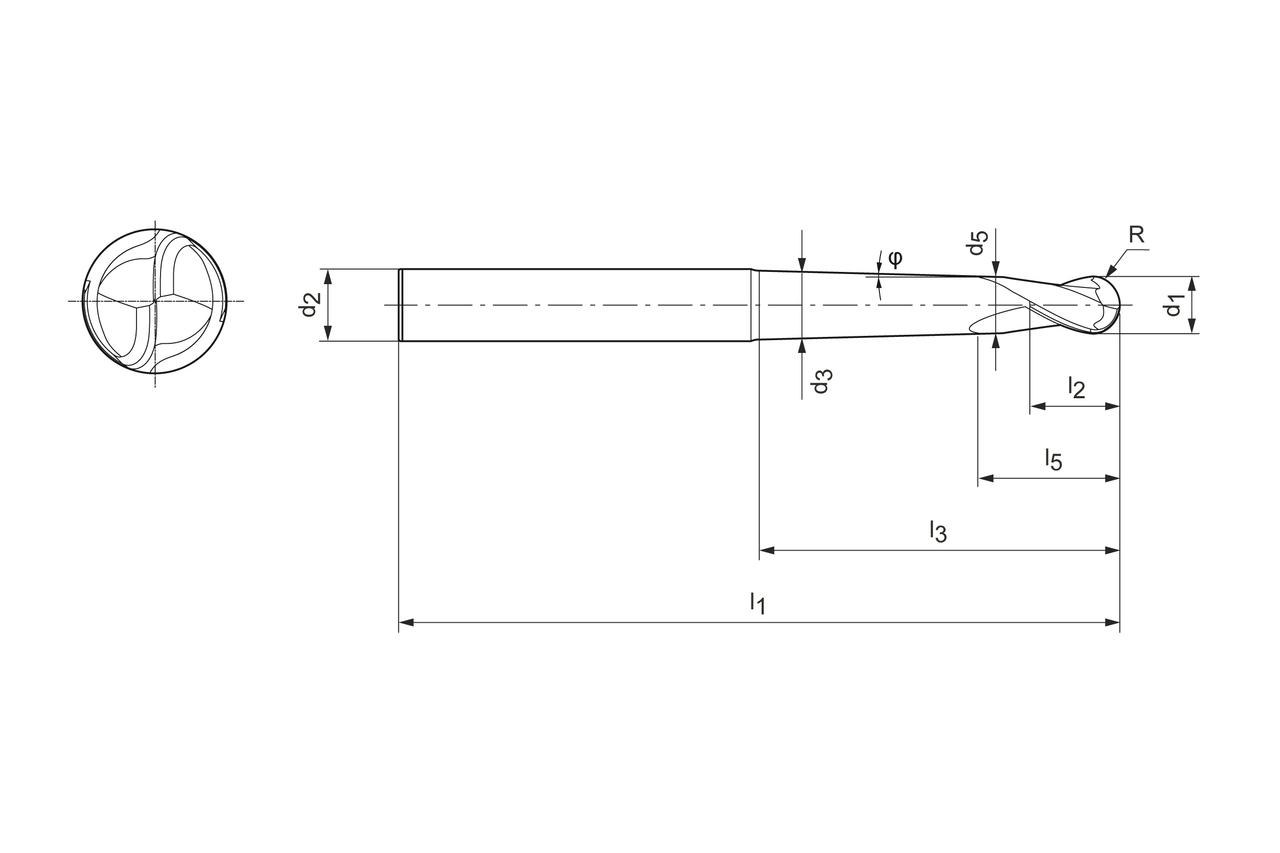
- Produktklasse
- Performance-Line
- Schneidendurchmesser (d1)
- 4 mm
- Schaftdurchmesser (d2)
- 6 mm
- Durchmesser zylindrischer Anteil (d3)
- 3.94 mm
- Gesamtlänge (l1)
- 75 mm
- Schneidenlänge (l2)
- 4.6 mm
- Halslänge (l3)
- 40 mm
- Länge zylindrischer Anteil (l5)
- 8 mm
- Eckenradius (R)
- 2 mm
- Konuswinkel (φ)
- 0.5 °
- Anzahl Schneiden (z)
- 2
- Kühlmittelzufuhr
- äußere Kühlmittelzufuhr
- Schaft Typ
- HA
- Schneidstoff
- HP801
- Materialgruppe
- RC
- Spezifikation
- MBN102-040-0200-4000A075-HP801
Downloads
- 3D Hüllkontur in stp
- 31153466_607640233-000-01-E43.STP
- Technische Zeichnung in dxf
- 31153466_607410228-000-02-ED1-MM.DXF
- Technische Zeichnung in pdf
- 31153466_607410228-000-02-ED1-MM.PDF
- Technische Zeichnung in tif
- 31153466_607410228-000-02-ED1-MM.TIF